Twoje zamówienie
Twój koszyk jest pusty.
Dodaj produkty do koszyka i zrealizuj zamówienie.
-
Amortyzatory przemysłowe
Amortyzatory przemysłowe
nastawne i samonastawne

-
Armatura i złączki
- Rura prosta aluminiowa PPSBTU
- Rura gięta PPSLM
- Mufa PPS1UN
- Mufa redukcyjna PPS1MR
- Kolano 90° PPS19C
- Kolano 90° z gw. zew. PPS19CM
- Kolano 45° PPS14C
- Zaślepka PPS1BO
- Trójnik PPS1TE
- Trójnik redukcyjny PPS1TR
- Trójnik z gw. wew. PPS1TT
- Zawory odcinające
- Zawór kulowy PPS1RSI
- Zawór kulowy z gw. wew. PPS1RSIF
- Zawór kulowy z gw. zew PPS1RSIM
- Złącze proste z gw. zew. PPS1MM
- Złącze proste z gw. wew. PPS1MF
- Zejście PPS1BP
- Zejście gwintowane PPS1BT
- Przyłącza naścienne
Zobacz produkty
w promocyjnych cenach
złączki, szybkozłącza i armatura gwintowana

-
Balansery
- Akcesoria
- Balansery do przemysłu spożywczego
- Balansery z linką w pancerzu
- ESD / antystatczne
- Udźwig 0-2 kg
- Udźwig 2-10 kg
- Udźwig 10-20 kg
- Udźwig 20-30 kg
- Udźwig 30-40 kg
- Udźwig 40-50 kg
- Udźwig 50-60 kg
- Udźwig 60-70 kg
- Udźwig 70-80 kg
- Udźwig 80-90 kg
- Udźwig 90-105 kg
- Udźwig 100-300 kg
- z przewodem powietrznym
- ATEX strefa zagrożona wybuchem 0,4-14 kg
- ATEX strefa zagrożona wybuchem 14-50 kg
- ATEX strefa zagrożona wybuchem 50-70 kg
- ATEX strefa zagrożona wybuchem 70-100 kg
- Pozycjonery
- Balansery pneumatyczne
- Ramiona reakcyjne
- Systemy szynowe
- Żurawie obrotowe
Balansery i wciągniki pneumatyczne
skrojone na miarę potrzeb
udźwig od 0,2 kg do 100 ton!

-
Kompresory - sprężarki
- Na zbiorniku 24-100L
- Na zbiorniku 240L
- Na zbiorniku 240L z osuszaczem
- Na zbiorniku 200L - 270L
- Na zbiorniku 200-270L z osuszaczem
- Na zbiorniku 400L
- Na zbiorniku 500L
- Na zbiorniku 500L z osuszaczem
- Na zbiorniku 500L z falownikiem
- Na zbiorniku 500L z osuszaczem i falownikiem
- Wolnostojące
- Wolnostojące z osuszaczem
- Wolnostojące z osuszaczem i falownikiem
- Wolnostojące z falownikiem
- Przewoźne - Spalinowe
- Bezolejowe - Dentystyczne
- Na zbiorniku 25L i mniejsze
- Na zbiorniku 40L
- Na zbiorniku 50L
- Na zbiorniku 90L
- Na zbiorniku 100L
- Na zbiorniku 150L
- Na zbiorniku 200L
- Na zbiorniku 270L
- Na zbiorniku 500L
- Bezolejowe - Dentystyczne
- Na zbiorniku 25L
- Na zbiorniku 40L
- Na zbiorniku 40L
- Na zbiorniku 40L
- Na zbiorniku 40L
- Na zbiorniku 40L
- Na zbiorniku 40L
- Na zbiorniku 40L
- Na zbiorniku 40L
- Na zbiorniku 40L
- Bazy sprężarkowe
- Filtry powietrza do kompresorów
- Koła pasowe pompy
- Koła pasowe silnika
- Osłony kół pasowych
- Pompy tłokowe - Agregaty sprężarkowe
- Reduktory do kompresorów sprężarek
- Tłoki - pierścienie
- Uszczelki
- Wyłączniki ciśnieniowe - Presostaty
- Zawory bezpieczeństwa
- Zawory odcinające
- Zawory sprężarkowe
- Zawory zwrotne
- Zbiorniki ciśnieniowe
Kompresory
w promocyjnych cenachŚwiatowe marki
na każdą kieszeń!

-
Lakiernictwo
Pistolety lakiernicze
automaty, z dolnym zbiornikiem, z górnym zbiornikiem, dolnozasilane

-
Narzędzia akumulatorowe
Narzędzia akumulatorowe
wydajność i mobilność dla precyzyjnego montażu

-
Narzędzia pneumatyczne
- Akcesoria do narzędzi
- Gwintownice
- Klucze impulsowe
- Klucze udarowe
- Klucze zapadkowe
- Krawędziarki - Ukosowarki
- Łączenie blach TOX - JURADO
- Mieszadła pneumatyczne
- Podajniki do śrub i wkrętów
- Młotki
- Młoty ciężkie do wiercenia i kucia
- Nitownice
- Nożyce - Wyrzynarki
- Piaskarki
- Pilnikarki
- Pistolety / Aplikatory do klejenia
- Pistolety do pompowania
- Pistolety do przedmuchu
- Polerki
- Pozostałe narzędzia
- Rozwiertaki
- Smarownice
- Stoły tapicerskie
- Szlifierki
- Wiertarki
- Wkrętarki
- Wyciskacze
- Wymieniarki - Spuszczarki oleju
- Wyrzynarki
Narzędzia pneumatyczne
doskonałe wyposażenie miejsc pracy

-
Techniki wstrzeliwane
- Gwoździarki
- Gwoździe do gwoździarek
- Gwoździowkręty do gwoździarek
- Klamry Ring
- Sztyfciarki
- Sztyfty
- Zszywacze
- Zszywki
- Połączenia ram
- Naboje gazowe
- Nity
- Nitonakrętki
- Wiązarki
- Drut do wiązarek
- Stoły do produkcji palet
- Stoły do naprawy palet
- Wkręty na taśmie
- Wypalarki do palet
- Brzeszczoty do naprawy palet
- Typ 5000
- Typ 71 / V / 72 / 3G / C
- Typ AR
- Typ A / 80 / AT
- Typ B / 35 / Packfix 35
- Typ C
- Typ D / 95
- Typ E / 90
- Typ ES
- Typ H / 92
- Typ LM / 14 / S5
- Typ O / 97 / W
- Typ plastikowe / polimerowe
- Typ PF
- Typ RAPID
- Typ S1 - BS29000
- Typ STCR5019
- Typ SWC
- Typ V / 11 do ramek
- Typ WC / S2 /140
- Typ WN
- Typ WP
- Typ WS
- Typ Z
- Pozostałe
Gwoździarki, sztyfciarki, zszywacze
oraz łączniki w korzystnych cenach!

-
Uzdatnianie powietrza
Osiągnij czyste powietrze
w atrakcyjnych cenach!

-
Elementy pneumatyki
- Elektrozawory impulsowe do filtrów
- Elektrozawory membranowe
- Elementy podciśnieniowe
- Manometry
- Napędy pneumatyczne obrotowe
- Silniki pneumatyczne
- Pompy membranowe
- Siłowniki
- Zaciski pneumatyczne
- Wzmacniacz ciśnienia
- Zawory rozdzielające ster. elektrycznie
- Zawory rozdzielające ster. pneumatycznie
- Zawory kątowe z siłownikiem
- Zawory specjalne
- Zawory ręczne i nożne
- Zawory zaciskowe AKO
Zawory, elektrozawory
w super cenach

-
Przewody i zwijadła
Przewody i zwijadła
dla lepszej organizacji pracy

- Wciągniki / manipulatory
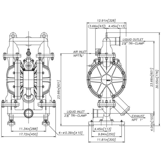
POMPA SPOŻYWCZA MEMBRANOWA 2-1/2" EPDM-FDA 620L/MIN NDP-50BSE-FDA YAMADA
-
Realizacja: 2-3 tygodnie
-
Darmowa dostawa od: 500 zł
Negocjuj cenę produktu
Opis produktu
Opis produktu
Pompa spożywcza membranowa 2-1/2" EPDM-FDA 620L/MIN NDP-50BSE-FDA YAMADA
Dane techniczne:
- Rozmiar pompy: 2"
- Typ zaworu: kulowy
- Materiał korpusu: elektropolerowana stal nierdzewna 316
- Materiał membrany: NORDEL™ (EPDM)
- Maksymalna temperatura cieczy: 100 °C
- Maksymalna wydajność: 620 l/min
- Ciśnienie zasilania powietrzem: 1,4 – 7 bar
- Maks. wielkość cząstek stałych: 8 mm
- Maks. wysokość ssania na sucho: 5,8 m
- Objętość przepływu na cykl: 4,25 l (dla membrany gumowej), 2,61 l (dla PTFE)
- Wymiary: 328 mm szer. x 776 mm wys. x 450 mm dł.
- Waga: 60 kg
- Silnik pneumatyczny: aluminium (dla wersji metalowej)
- Porty przyłączeniowe:
- Medium: 2-1/2" Tri-Clamp
- Wlot powietrza: 3/4”
- Wylot powietrza: brak danych
- Membrana: NORDEL™ (EPDM) – do niskich temp., substancji żrących i niektórych kwasów; zakres temp. –40 °C do 100 °C
- Uszczelnienia stosowane w zależności od wersji: Buna-N, EPDM, Santoprene, PTFE, Hytrel, NORDEL™
- Silnik pneumatyczny – opcje:
- Dla wersji plastikowej: PPG
- Dodatkowo: powłoka teflonowa, niklowana bezprądowo
- Maks. liczba cykli/min:
- Membrana gumowa: 146
- Membrana PTFE: 220
- Certyfikat FDA: tak – dla przemysłu spożywczego, browarniczego, farmaceutycznego, chemicznego, kosmetycznegoównych)
★★★ W razie pytań lub wątpliwości zapraszamy do kontaktu telefonicznego. ★★★
Seria pomp membranowych YAMADA (N)DP
Pompy z serii (N)DP są podstawą linii przemysłowej. Unikalna, opatentowana konstrukcja zaworu powietrznego zapewnia bezusterkową pracę przez cały okres eksploatacji produktu. Skręcana konstrukcja i wspólne części wymienne maksymalizują czas sprawności i zwiększają rentowność.
Zalety użytkowania pomp YAMADA FDA:
- możliwość pracy na sucho bez ryzyka uszkodzeń
- mobilność
- brak uszczelnień mechanicznych, silników sprzęgieł etc.
- zmienne natężenie przepływu
Minimalna/Maksymalna temperatura cieczy dla pompy
W przypadku pomp metalowych zależy od elastometru (materiału membran).
W przypadku pomp tworzywowych, w zależności:
| Materiał pompy | Kod | Min. ℃ | Maks. ℃ | Min. ℉ | Maks.℉ |
| Wzmocniony polipropylenem (PPG) | BP./FP. | 0 | 70 | 0 | 60 |
| Przewodzący Delrin® (POM) | FDT | -7,5 | 82 | 0 | 60 |
| Przewodzący Kynar® (PVDF) | BV./FV. | -15 | 100 | 0 | 60 |
| Teflon® (PTFE) | T | 0 | 100 | 0 | 100 |
| Materiał membrany | Kod | Min. ℃ | Maks. ℃ | Min. ℉ | Maks.℉ |
| Neopren (CR) | C | -20 | 82 | 0 | 70 |
| Nordel™ (EPDM) | E | -20 | 100 | 0 | 80 |
| Hytrel® (TPEE) | H | -30 | 82 | 0 | 80 |
| Buna-N (NBR) | N | -20 | 82 | 0 | 70 |
| Santoprene® (TPO) | S | -20 | 100 | 0 | 100 |
| Teflon® (PTFE) | T | 0 | 100 | 0 | 100 |
| Ultimate Teflon® (TU®) | TU® | -10 | 90 | 0 | 90 |
| Viton® (FKM) | V | -5 | 105 | 0 | 100 |
| Firma YAMADA to japoński lider w produkcji m.in. pomp membranowych z ponad 60-letnim doświadczeniem. Firma ta znana jest ze swojej innowacyjności, doskonałej jakości i niezawodności produktów. W procesie produkcji przestrzegane są normy ISO 9001 gdzie każda z pomp przed wysyłką przechodzi próbę hydrauliczną. |
Opinie
Dodaj swoją opinie
Twoja opinia pozwoli Nam udoskonalać oraz poprawiać jakość obsługi klienta. Może również okazać się pomocna innym klientom.
Dodaj opinię o produkcieInformacja o podmiocie odpowiedzialnym:
Jag-Mar Sp. z o. o.
ul. Złota 36, 62-800 Kalisz, Polska
biuro@jag-mar.pl
Chwilowo nie możesz polubić tej opinii
Zgłoś komentarz
Zgłoszenie wysłane
Twoje zgłoszenie nie może zostać wysłane
Dodaj opinię
Recenzja została wysłana
Twoja recenzja nie może być wysłana






























































