Zawory ręczne i nożne
Zawory ręczne i nożne
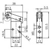
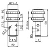
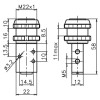
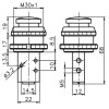
Zawory ręczne i nożne to urządzenia, których specyficzna konstrukcja i mechaniczny system sterowania pozwalają na samodzielne wyłączanie i włączanie przez pracownika, bez wykorzystania zasilania elektrycznego. Zaletą takich zaworów jest brak kontaktu z energią, a zarazem większy poziom bezpieczeństwa w środowisku zagrożonym wybuchem. Zawór mechaniczny sterowany ręcznie lub nożnie zależnie od Państwa potrzeb może być wyposażony w joystick, grzybek lub dźwignię. Oferujemy też Państwu zawory z pokrętłem, mechanicznym popychaczem lub rolką.

























































































