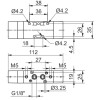
Zawór blokujący VBU CAMOZZI jednokierunkowy 1/2" VBU-1-2
Kod produktu:
VBU-1-2
330,58 zł
254,55 zł
- You reached Maximun quantity
- You reached Minimum quantity















































