Twoje zamówienie
Twój koszyk jest pusty.
Dodaj produkty do koszyka i zrealizuj zamówienie.
-
Amortyzatory przemysłowe
Amortyzatory przemysłowe
nastawne i samonastawne

-
Armatura i złączki
- Rura prosta aluminiowa PPSBTU
- Rura gięta PPSLM
- Mufa PPS1UN
- Mufa redukcyjna PPS1MR
- Kolano 90° PPS19C
- Kolano 90° z gw. zew. PPS19CM
- Kolano 45° PPS14C
- Zaślepka PPS1BO
- Trójnik PPS1TE
- Trójnik redukcyjny PPS1TR
- Trójnik z gw. wew. PPS1TT
- Zawory odcinające
- Zawór kulowy PPS1RSI
- Zawór kulowy z gw. wew. PPS1RSIF
- Zawór kulowy z gw. zew PPS1RSIM
- Złącze proste z gw. zew. PPS1MM
- Złącze proste z gw. wew. PPS1MF
- Zejście PPS1BP
- Zejście gwintowane PPS1BT
- Przyłącza naścienne
Zobacz produkty
w promocyjnych cenach
złączki, szybkozłącza i armatura gwintowana

-
Balansery
- Akcesoria
- Balansery do przemysłu spożywczego
- Balansery z linką w pancerzu
- ESD / antystatczne
- Udźwig 0-2 kg
- Udźwig 2-10 kg
- Udźwig 10-20 kg
- Udźwig 20-30 kg
- Udźwig 30-40 kg
- Udźwig 40-50 kg
- Udźwig 50-60 kg
- Udźwig 60-70 kg
- Udźwig 70-80 kg
- Udźwig 80-90 kg
- Udźwig 90-105 kg
- Udźwig 100-300 kg
- z przewodem powietrznym
- ATEX strefa zagrożona wybuchem 0,4-14 kg
- ATEX strefa zagrożona wybuchem 14-50 kg
- ATEX strefa zagrożona wybuchem 50-70 kg
- ATEX strefa zagrożona wybuchem 70-100 kg
- Pozycjonery
- Balansery pneumatyczne
- Ramiona reakcyjne
- Systemy szynowe
- Żurawie obrotowe
Balansery i wciągniki pneumatyczne
skrojone na miarę potrzeb
udźwig od 0,2 kg do 100 ton!

-
Kompresory - sprężarki
- Na zbiorniku 24-100L
- Na zbiorniku 240L
- Na zbiorniku 240L z osuszaczem
- Na zbiorniku 200L - 270L
- Na zbiorniku 200-270L z osuszaczem
- Na zbiorniku 400L
- Na zbiorniku 500L
- Na zbiorniku 500L z osuszaczem
- Na zbiorniku 500L z falownikiem
- Na zbiorniku 500L z osuszaczem i falownikiem
- Wolnostojące
- Wolnostojące z osuszaczem
- Wolnostojące z osuszaczem i falownikiem
- Wolnostojące z falownikiem
- Przewoźne - Spalinowe
- Bezolejowe - Dentystyczne
- Na zbiorniku 25L i mniejsze
- Na zbiorniku 40L
- Na zbiorniku 50L
- Na zbiorniku 90L
- Na zbiorniku 100L
- Na zbiorniku 150L
- Na zbiorniku 200L
- Na zbiorniku 270L
- Na zbiorniku 500L
- Bezolejowe - Dentystyczne
- Na zbiorniku 25L
- Na zbiorniku 40L
- Na zbiorniku 40L
- Na zbiorniku 40L
- Na zbiorniku 40L
- Na zbiorniku 40L
- Na zbiorniku 40L
- Na zbiorniku 40L
- Na zbiorniku 40L
- Na zbiorniku 40L
- Bazy sprężarkowe
- Filtry powietrza do kompresorów
- Koła pasowe pompy
- Koła pasowe silnika
- Osłony kół pasowych
- Pompy tłokowe - Agregaty sprężarkowe
- Reduktory do kompresorów sprężarek
- Tłoki - pierścienie
- Uszczelki
- Wyłączniki ciśnieniowe - Presostaty
- Zawory bezpieczeństwa
- Zawory odcinające
- Zawory sprężarkowe
- Zawory zwrotne
- Zbiorniki ciśnieniowe
Kompresory
w promocyjnych cenachŚwiatowe marki
na każdą kieszeń!

-
Lakiernictwo
Pistolety lakiernicze
automaty, z dolnym zbiornikiem, z górnym zbiornikiem, dolnozasilane

-
Narzędzia akumulatorowe
Narzędzia akumulatorowe
wydajność i mobilność dla precyzyjnego montażu

-
Narzędzia pneumatyczne
- Akcesoria do narzędzi
- Gwintownice
- Klucze impulsowe
- Klucze udarowe
- Klucze zapadkowe
- Krawędziarki - Ukosowarki
- Łączenie blach TOX - JURADO
- Mieszadła pneumatyczne
- Podajniki do śrub i wkrętów
- Młotki
- Młoty ciężkie do wiercenia i kucia
- Nitownice
- Nożyce - Wyrzynarki
- Piaskarki
- Pilnikarki
- Pistolety / Aplikatory do klejenia
- Pistolety do pompowania
- Pistolety do przedmuchu
- Polerki
- Pozostałe narzędzia
- Rozwiertaki
- Smarownice
- Stoły tapicerskie
- Szlifierki
- Wiertarki
- Wkrętarki
- Wyciskacze
- Wymieniarki - Spuszczarki oleju
- Wyrzynarki
Narzędzia pneumatyczne
doskonałe wyposażenie miejsc pracy

-
Techniki wstrzeliwane
- Gwoździarki
- Gwoździe do gwoździarek
- Gwoździowkręty do gwoździarek
- Klamry Ring
- Sztyfciarki
- Sztyfty
- Zszywacze
- Zszywki
- Połączenia ram
- Naboje gazowe
- Nity
- Nitonakrętki
- Wiązarki
- Drut do wiązarek
- Stoły do produkcji palet
- Stoły do naprawy palet
- Wkręty na taśmie
- Wypalarki do palet
- Brzeszczoty do naprawy palet
- Typ 5000
- Typ 71 / V / 72 / 3G / C
- Typ AR
- Typ A / 80 / AT
- Typ B / 35 / Packfix 35
- Typ C
- Typ D / 95
- Typ E / 90
- Typ ES
- Typ H / 92
- Typ LM / 14 / S5
- Typ O / 97 / W
- Typ plastikowe / polimerowe
- Typ PF
- Typ RAPID
- Typ S1 - BS29000
- Typ STCR5019
- Typ SWC
- Typ V / 11 do ramek
- Typ WC / S2 /140
- Typ WN
- Typ WP
- Typ WS
- Typ Z
- Pozostałe
Gwoździarki, sztyfciarki, zszywacze
oraz łączniki w korzystnych cenach!

-
Uzdatnianie powietrza
Osiągnij czyste powietrze
w atrakcyjnych cenach!

-
Elementy pneumatyki
- Elektrozawory impulsowe do filtrów
- Elektrozawory membranowe
- Elementy podciśnieniowe
- Manometry
- Napędy pneumatyczne obrotowe
- Silniki pneumatyczne
- Pompy membranowe
- Siłowniki
- Zaciski pneumatyczne
- Wzmacniacz ciśnienia
- Zawory rozdzielające ster. elektrycznie
- Zawory rozdzielające ster. pneumatycznie
- Zawory kątowe z siłownikiem
- Zawory specjalne
- Zawory ręczne i nożne
- Zawory zaciskowe AKO
Zawory, elektrozawory
w super cenach

-
Przewody i zwijadła
Przewody i zwijadła
dla lepszej organizacji pracy

- Wciągniki / manipulatory
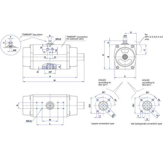
Pneumatyczny napęd obrotowy pojedynczego działania AP10SR 270 VITON SIRCA
-
Realizacja: 3-5 tygodni
-
Darmowa dostawa od: 500 zł
Negocjuj cenę produktu
Opis produktu
Opis produktu
Pneumatyczny napęd obrotowy pojedynczego działania AP10SR 270 VITON SIRCA
Dane techniczne:
- rozmiar: Ø270 mm
- waga: 101 kg
- uszczelnienie: VITON
- moment obrotowy dla ciśnienia zasilającego 6 bar: patrz tabela w załączniku
- kąt obrotu: 0o-90o
- zakres regulacji: +/- 3o
- ciśnienie zasilania: 3-8 bar
- temperatura pracy: od -20oC do +80oC
- medium robocze: sprężone powietrze
- przyłącze zasilające: G 1/4
Zalety:
- Konstrukcja z podwójnym tłokiem i zębnikiem zapewnia zwartą konstrukcję, symetryczny montaż tłoka. Jedna kompaktowa konstrukcja z identycznym korpusem i zaślepkami końcowymi dla modelu dwustronnego działania i ze sprężyną powrotną.
- Korpus z wytłaczanego aluminium, dostępny z dwoma rodzajami zabezpieczenia antykorozyjnego, anodowanym na złoto lub anodowanym na twardo. Wszystkie korpusy są obrabiane na maszynach sterowanych CNC w celu uzyskania najwyższej jakości i precyzji.
- Zaślepki końcowe i tłoki wykonane są z odlewanego ciśnieniowo aluminium. Zaślepki są malowane.
- Koło zębate wykonane jest ze stopu stali niklowanej. System zapobiegający wydmuchowi zapobiega wysuwaniu się trzpienia z korpusu siłownika.
- Wszystkie ruchome elementy wyposażone są w specjalne pierścienie przeciwcierne lub łożyska.
- Wszystkie sprężyny są wykonane w zamkniętym systemie, co pozwala uniknąć ryzyka wypadków podczas faz demontażu siłownika.
- Wewnętrzne i zewnętrzne łączniki ze stali nierdzewnej zapewniające długoterminową odporność na korozję.
- Czarne zaślepki epoksydowe.
Zastosowanie:
Najlepsze zastosowanie znajdują do uruchamiania zaworów ćwierćobrotowych takich jak: zawór kulowy, przepustnica, zawór grzybowy
Certyfikaty:
2014/34//UE ATEX, SIL IEC 61508 – IEC 61511, GOST-R, CU TR 10 CU TR 32
Serie produktów
Serie produktów
| Kod produktu | Gwint przyłącza | Średnica siłownika |
Cena netto
Cena brutto |
Dostępność |
|---|---|---|---|---|
| AP01SR50VITON | 1/4" | 50 mm |
822,74 zł
1 011,97 zł |
Dostępny |
| AP2A/BSR63VITON | 1/4" | 63 mm |
1 014,72 zł
1 248,10 zł |
Dostępny |
| AP03SR75VITON | 1/4" | 75 mm |
1 206,69 zł
1 484,23 zł |
Dostępny |
| AP35SR85VITON | 1/4" | 85 mm |
1 535,79 zł
1 889,02 zł |
Dostępny |
| AP04SR100VITON | 1/4" | 100 mm |
1 782,61 zł
2 192,61 zł |
Dostępny |
| AP45SR115VITON | 1/4" | 115 mm |
2 276,26 zł
2 799,79 zł |
Dostępny |
| AP05SR125VITON | 1/4" | 125 mm |
2 687,63 zł
3 305,78 zł |
Dostępny |
| AP55SR145VITON | 1/4" | 145 mm |
3 428,10 zł
4 216,56 zł |
Dostępny |
| AP06SR160VITON | 1/4" | 160 mm |
4 360,54 zł
5 363,46 zł |
Dostępny |
| AP08SR200VITON | 1/4" | 200 mm |
8 035,46 zł
9 883,61 zł |
Dostępny |
| AP10SR270VITON | 1/4" | 270 mm |
16 208,04 zł
19 935,89 zł |
Dostępny |
Informacja o podmiocie odpowiedzialnym:
Jag-Mar Sp. z o. o.
ul. Złota 36, 62-800 Kalisz, Polska
biuro@jag-mar.pl
Załączniki
Chwilowo nie możesz polubić tej opinii
Zgłoś komentarz
Zgłoszenie wysłane
Twoje zgłoszenie nie może zostać wysłane
Dodaj opinię
Recenzja została wysłana
Twoja recenzja nie może być wysłana

































































































