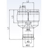
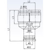
Trójniki TEKALAN
Złączki wtykowe trójniki TEKALAN
Złączki wtykowe - trójniki oferują szybki i bardzo łatwy sposób łączenia przewodów z innymi elementami wchodzącymi w skład układów pneumatycznych za pomocą wciśnięcia węża do otworu montażowego złączki. Złączki TEKALAN typu trójnik obsługują medium w postaci powietrza sprężonego pod ciśnieniem max. 10 bar w temperaturze od 0oC do +60oC. Zaleca się użycie złączek wtykowych-rozdzielaczy do przewodów wykonanych z poliutreranu lub poliamidu. Szeroka gama modeli w ekonomiczny i prosty sposób ułatwia konfigurację dowolnej instalacji.







































































