Twoje zamówienie
Twój koszyk jest pusty.
Dodaj produkty do koszyka i zrealizuj zamówienie.
-
Amortyzatory przemysłowe
Amortyzatory przemysłowe
nastawne i samonastawne

-
Armatura i złączki
- Rura prosta aluminiowa PPSBTU
- Rura gięta PPSLM
- Mufa PPS1UN
- Mufa redukcyjna PPS1MR
- Kolano 90° PPS19C
- Kolano 90° z gw. zew. PPS19CM
- Kolano 45° PPS14C
- Zaślepka PPS1BO
- Trójnik PPS1TE
- Trójnik redukcyjny PPS1TR
- Trójnik z gw. wew. PPS1TT
- Zawory odcinające
- Zawór kulowy PPS1RSI
- Zawór kulowy z gw. wew. PPS1RSIF
- Zawór kulowy z gw. zew PPS1RSIM
- Złącze proste z gw. zew. PPS1MM
- Złącze proste z gw. wew. PPS1MF
- Zejście PPS1BP
- Zejście gwintowane PPS1BT
- Przyłącza naścienne
Zobacz produkty
w promocyjnych cenach
złączki, szybkozłącza i armatura gwintowana

-
Balansery
- Akcesoria
- Balansery do przemysłu spożywczego
- Balansery z linką w pancerzu
- ESD / antystatczne
- Udźwig 0-2 kg
- Udźwig 2-10 kg
- Udźwig 10-20 kg
- Udźwig 20-30 kg
- Udźwig 30-40 kg
- Udźwig 40-50 kg
- Udźwig 50-60 kg
- Udźwig 60-70 kg
- Udźwig 70-80 kg
- Udźwig 80-90 kg
- Udźwig 90-105 kg
- Udźwig 100-300 kg
- z przewodem powietrznym
- ATEX strefa zagrożona wybuchem 0,4-14 kg
- ATEX strefa zagrożona wybuchem 14-50 kg
- ATEX strefa zagrożona wybuchem 50-70 kg
- ATEX strefa zagrożona wybuchem 70-100 kg
- Pozycjonery
- Balansery pneumatyczne
- Ramiona reakcyjne
- Systemy szynowe
- Żurawie obrotowe
Balansery i wciągniki pneumatyczne
skrojone na miarę potrzeb
udźwig od 0,2 kg do 100 ton!

-
Kompresory - sprężarki
- Na zbiorniku 24-100L
- Na zbiorniku 240L
- Na zbiorniku 240L z osuszaczem
- Na zbiorniku 200L - 270L
- Na zbiorniku 200-270L z osuszaczem
- Na zbiorniku 400L
- Na zbiorniku 500L
- Na zbiorniku 500L z osuszaczem
- Na zbiorniku 500L z falownikiem
- Na zbiorniku 500L z osuszaczem i falownikiem
- Wolnostojące
- Wolnostojące z osuszaczem
- Wolnostojące z osuszaczem i falownikiem
- Wolnostojące z falownikiem
- Przewoźne - Spalinowe
- Bezolejowe - Dentystyczne
- Na zbiorniku 25L i mniejsze
- Na zbiorniku 40L
- Na zbiorniku 50L
- Na zbiorniku 90L
- Na zbiorniku 100L
- Na zbiorniku 150L
- Na zbiorniku 200L
- Na zbiorniku 270L
- Na zbiorniku 500L
- Bezolejowe - Dentystyczne
- Na zbiorniku 25L
- Na zbiorniku 40L
- Na zbiorniku 40L
- Na zbiorniku 40L
- Na zbiorniku 40L
- Na zbiorniku 40L
- Na zbiorniku 40L
- Na zbiorniku 40L
- Na zbiorniku 40L
- Na zbiorniku 40L
- Bazy sprężarkowe
- Filtry powietrza do kompresorów
- Koła pasowe pompy
- Koła pasowe silnika
- Osłony kół pasowych
- Pompy tłokowe - Agregaty sprężarkowe
- Reduktory do kompresorów sprężarek
- Tłoki - pierścienie
- Uszczelki
- Wyłączniki ciśnieniowe - Presostaty
- Zawory bezpieczeństwa
- Zawory odcinające
- Zawory sprężarkowe
- Zawory zwrotne
- Zbiorniki ciśnieniowe
Kompresory
w promocyjnych cenachŚwiatowe marki
na każdą kieszeń!

-
Lakiernictwo
Pistolety lakiernicze
automaty, z dolnym zbiornikiem, z górnym zbiornikiem, dolnozasilane

-
Narzędzia akumulatorowe
Narzędzia akumulatorowe
wydajność i mobilność dla precyzyjnego montażu

-
Narzędzia pneumatyczne
- Akcesoria do narzędzi
- Gwintownice
- Klucze impulsowe
- Klucze udarowe
- Klucze zapadkowe
- Krawędziarki - Ukosowarki
- Łączenie blach TOX - JURADO
- Mieszadła pneumatyczne
- Podajniki do śrub i wkrętów
- Młotki
- Młoty ciężkie do wiercenia i kucia
- Nitownice
- Nożyce - Wyrzynarki
- Piaskarki
- Pilnikarki
- Pistolety / Aplikatory do klejenia
- Pistolety do pompowania
- Pistolety do przedmuchu
- Polerki
- Pozostałe narzędzia
- Rozwiertaki
- Smarownice
- Stoły tapicerskie
- Szlifierki
- Wiertarki
- Wkrętarki
- Wyciskacze
- Wymieniarki - Spuszczarki oleju
- Wyrzynarki
Narzędzia pneumatyczne
doskonałe wyposażenie miejsc pracy

-
Techniki wstrzeliwane
- Gwoździarki
- Gwoździe do gwoździarek
- Gwoździowkręty do gwoździarek
- Klamry Ring
- Sztyfciarki
- Sztyfty
- Zszywacze
- Zszywki
- Połączenia ram
- Naboje gazowe
- Nity
- Nitonakrętki
- Wiązarki
- Drut do wiązarek
- Stoły do produkcji palet
- Stoły do naprawy palet
- Wkręty na taśmie
- Wypalarki do palet
- Brzeszczoty do naprawy palet
- Typ 5000
- Typ 71 / V / 72 / 3G / C
- Typ AR
- Typ A / 80 / AT
- Typ B / 35 / Packfix 35
- Typ C
- Typ D / 95
- Typ E / 90
- Typ ES
- Typ H / 92
- Typ LM / 14 / S5
- Typ O / 97 / W
- Typ plastikowe / polimerowe
- Typ PF
- Typ RAPID
- Typ S1 - BS29000
- Typ STCR5019
- Typ SWC
- Typ V / 11 do ramek
- Typ WC / S2 /140
- Typ WN
- Typ WP
- Typ WS
- Typ Z
- Pozostałe
Gwoździarki, sztyfciarki, zszywacze
oraz łączniki w korzystnych cenach!

-
Uzdatnianie powietrza
Osiągnij czyste powietrze
w atrakcyjnych cenach!

-
Elementy pneumatyki
- Elektrozawory impulsowe do filtrów
- Elektrozawory membranowe
- Elementy podciśnieniowe
- Manometry
- Napędy pneumatyczne obrotowe
- Silniki pneumatyczne
- Pompy membranowe
- Siłowniki
- Zaciski pneumatyczne
- Wzmacniacz ciśnienia
- Zawory rozdzielające ster. elektrycznie
- Zawory rozdzielające ster. pneumatycznie
- Zawory kątowe z siłownikiem
- Zawory specjalne
- Zawory ręczne i nożne
- Zawory zaciskowe AKO
Zawory, elektrozawory
w super cenach

-
Przewody i zwijadła
Przewody i zwijadła
dla lepszej organizacji pracy

- Wciągniki / manipulatory
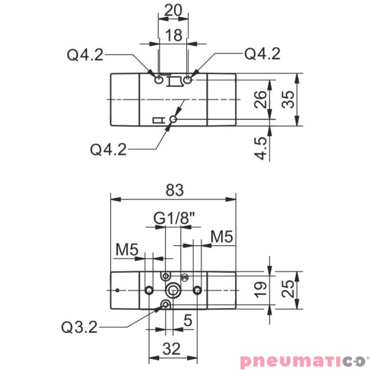
Zawór pneumatyczny - sprężyna 3/2 PNEUMAX
-
Realizacja: 2-5 dni
-
Darmowa dostawa od: 500 zł
Negocjuj cenę produktu
Opis produktu
Opis produktu
Zawór pneumatyczny - sprężyna 3/2 PNEUMAX
Dane techniczne:
- uszczelnienia: NBR
- min. siła nacisku: -
- ciśnienie maks.: 10 bar
- przepływ dla 6 bar: 620 Nl/min
- średnica nomin.: 6 mm
- typ: 3 drogowy
- typ przyłącza: -
- funkcja: -
- waga: 75 g
- medium: filtrowane i olejone powietrze
- temperatura pracy: -5 C do +50 C
- przyłącze robocze: G 1/8"
- minimalne ciśnienie sterowania: 2,5 bar
Informacja o podmiocie odpowiedzialnym:
Pneumax S.p.A.
Via Cascina Barbellina, 10, 24050 Lurano BG, Italia
info@pneumaxspa.com
Chwilowo nie możesz polubić tej opinii
Zgłoś komentarz
Zgłoszenie wysłane
Twoje zgłoszenie nie może zostać wysłane
Dodaj opinię
Recenzja została wysłana
Twoja recenzja nie może być wysłana




















































